| Die
gängigsten Farben mit ihren Abkürzungen (und typischen Einsatzzwecken) |
|
Zündanlage |
Klemme |
Bedeutung
|
| |
1 |
Zündspule, Zündverteiler,
Niederspannung
|
| |
1a, 1b |
Zündverteiler mit 2
getrennten Stromkreisen |
| |
2 |
Kurzschließklemme,
Magnetzünder |
| |
4 |
Zündspule, Zündverteiler,
Hochspannung |
| |
4a, 4b |
Zündverteiler mit 2
getrennten Stromkreisen, Hochspannung |
| |
7 |
Klemme der
Basiswiderstände zum/vom Zündverteiler |
| |
15 |
geschaltetes Plus
nach Batterie |
| |
15a |
Ausgang am
Vorwiderstand zu Zündspule und Starter |
| Glühanlage |
15 |
Eingang
Glühstartschalter |
| |
17 |
Starten |
| |
19 |
Vorglühen |
| |
50 |
Startersteuerung |
| Batterie |
15 |
Batterie Plus über
Schalter |
| |
30 |
Eingang von
Batterie Plus direkt |
| |
30a |
Eingang von 2.
Batterie und am Umschaltrelais 12/24V |
| |
31 |
Rückleitung an
Batterie Minus oder direkt an Masse |
| |
31a |
Rückleitung an 2.
Batterie Minus, Umschaltrelais 12/24V |
| |
31b |
Rückleitung an
Batterie Minus oder an Masse über Schalter |
| |
31c |
Rückleitung an 1.
Batterie Minus, Umschaltrelais 12/24V |
| Elektromotoren |
32 |
Rückleitung |
| |
33 |
Hauptanschluss
(Vertauschen von 32 und 33 möglich) |
| |
33a |
Endabstellung |
| |
33b |
Nebenschlussfeld |
| |
33f |
2. kleinere
Drehzahlstufe |
| |
33g |
3. kleinere
Drehzahlstufe |
| |
33h |
4. kleinere
Drehzahlstufe |
| |
33L |
Drehrichtung links |
| |
33R |
Drehrichtung rechts |
| |
86 |
Eingangsklemme Schütz |
| Blinker |
49 |
Eingang Blinkgeber |
| |
49a |
Ausgang Blinkgeber,
Eingang Blinkerschalter |
| |
49b |
Ausgang 2. Blinkkreis |
| |
49c |
Ausgang 3. Blinkkreis |
| |
C |
1. Blinkkontrolllampe |
| |
C2 |
2. Blinkkontrolllampe |
| |
C3 |
3. Blinkkontrolllampe |
| |
L |
Blinkleuchten links |
| |
R |
Blinkleuchten rechts |
| |
L54 |
Ausgang für
kombinierte Blink-Bremsleuchten an Zugmaschinen und Anhängern, links |
| |
R54 |
Ausgang für
kombinierte Blink-Bremsleuchten an Zugmaschinen und Anhängern, rechts |
Wechselstrom-
generator |
51 |
Gleichspannung
am Gleichrichter |
| |
51e |
wie 51, jedoch mit
Drosselspule für Tagfahrt |
| |
59 |
Wechselspannung
Ausgang, Eingang Gleichrichter, Lichtschalter |
| |
59a |
Ladeanker Ausgang |
| |
59b |
Schlusslichtanker
Ausgang |
| |
59c |
Bremslichtanker
Ausgang |
| |
63 |
Reglerklemme zur Änderung
der Reglerspannung |
| |
63a |
Reglerklemme zur Änderung
der Strombegrenzung |
| |
64 |
Generator
Steuerleitung |
Generator
Generatorregler |
61 |
Ladekontrolle |
| |
B+ |
Batterie Plus |
| |
B- |
Batterie Minus |
| |
D+ |
Dynamo Plus |
| |
D- |
Dynamo Minus |
| |
DF |
Dynamo Feld |
| |
DF1 |
Dynamo Feld 1 |
| |
DF2 |
Dynamo Feld 2 |
| |
U, V, W |
Drehstromklemmen |
| Beleuchtung |
54 |
Bremslicht bei
Leuchtkombination und an Anhängersteckvorrichtung |
| |
55 |
Nebelscheinwerfer |
| |
56 |
Scheinwerferlicht |
| |
56a |
Fernlicht und
Anzeigelampe |
| |
56b |
Abblendlicht |
| |
56d |
Lichthupe |
| |
57 |
Standlicht Kraftrad |
| |
57a |
Parklicht |
| |
57L |
Parklicht links |
| |
57R |
Parklicht rechts |
| |
58 |
Begrenzungs-,
Kennzeichen-, Instrumenten-, Schlussleuchten |
| |
58L |
Lichtschalterklemme
f. linke Begrenzungs- u. Schlussleuchten, wenn getrennt schaltbar |
| |
58R |
Lichtschalterklemme
f. rechte Begrenzungs- u. Schlussleuchten, wenn getrennt schaltbar |
| |
58b |
Schlusslichtumschaltung
bei Einachsschleppern |
| |
58c |
Anhängersteckvorrichtung,
einadrig verlegtes und im Anhänger abgesichertes Schlusslicht |
| |
58d |
Regelbare
Instrumentbeleuchtung |
Scheibenwasch-
anlage |
53 |
Eingang
Wischermotor Plus |
| |
53a |
Endabstellung Plus |
| |
53b |
Nebenschlusswicklung |
| |
53c |
Scheibenspülerpumpe |
| |
53e |
Bremswicklung |
| |
53i |
Wischermotor mit
Permanentmagnet, dritte Bürste für höhere Geschwindigkeit |
Akustische
Warnanlage |
71 |
Eingang
Tonfolgeschaltgerät |
| |
71a |
Ausgang zu Horn 1 und
2 tief |
| |
71b |
Ausgang zu Horn 1 und
2 hoch |
| |
72 |
Alarmschalter
Rundumleuchte |
| |
85c |
Alarmschalter Ton an |
| Schalter |
81 |
Öffner,
Wechsler Eingang |
| |
81a |
1. Ausgang |
| |
81b |
2. Ausgang |
| |
82 |
Schließer Eingang |
| |
82a |
1. Ausgang |
| |
82b |
2. Ausgang |
| |
82z |
1. Eingang |
| |
82y |
2. Eingang |
| |
83 |
Mehrstellenschalter,
Eingang |
| |
83a |
Ausgang Stellung 1 |
| |
83b |
Ausgang Stellung 2 |
| Relais |
84 |
Eingang Antrieb und
Relaiskontakt (Wicklungsanfang) |
| |
84a |
Ausgang Antrieb (Wicklungsende) |
| |
84b |
Ausgang Relaiskontakt |
| |
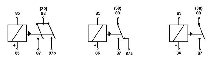
85 |
Ausgang Antrieb (Wicklungsende,
Minus) |
| |
86 |
Eingang Antrieb
(Wicklungsanfang) |
| |
86a |
Eingang 1. Wicklung |
| |
86b |
Eingang 2. Wicklung |
| Kontakte |
87 |
Eingang Öffner und
Wechsler |
| |
87z, y, x |
Eingang Öffner und
Wechsler bei mehreren Eingängen |
| |
87a |
Ausgang Öffner und
Wechsler |
| |
87b, c, d |
Ausgang Öffner und
Wechsler bei mehreren Ausgängen |
| |
88 |
Eingang Schließer |
| |
88z, y, x |
Eingang Schließer
bei mehreren Eingängen |
| |
88a (87) |
Ausgang Schließer
und Wechsler |
| |
88b, c, d |
Ausgang Schließer
und Wechsler bei mehreren Ausgängen |
| Zusätzliches |
52 |
Signal
vom Anhänger |
| |
54g |
Magnetventil für
Dauerbremse im Anhänger |
| |
75 |
Radio, Zigarettenanzünder |
| |
77 |
Türventilsteuerung |